티스토리 뷰
목차
입찰 물건 소개


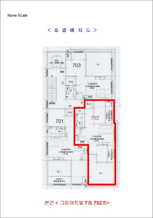
주소 : 인천광역시 남구 주안서로54번길 3 그린아트빌 제7층 제702호
감정가 & 최저가 : 1억 5,500만원 & 7,595만원 (2회 유찰)
해당 물건 2015년 7월 사용 승인된 준신축급의 다세대 건물이며, 방1과 주방겸 거실, 욕실 1, 확장형 발코니가 포함된 물건 입니다.
바로 인근에 수도권1호선 및 인천2호선 주안역이 소재하여 역세권 물건 이라고 할 수 있습니다.
특이사항으로는 지하철도 소유 목적의 토지 별도등기가 되어 있습니다.
입찰 진행 결과


사실 이 물건은 저는 입찰하면 안되는 물건 이었습니다.
공시가격이 1억이 넘어가는 물건이었던 관계로... 저에게는 취득세 중과 되는 물건이었습니다.
그럼에도 불구하고... 최저가 근처로 입찰을 해 보고 싶어서 50% 정도 되는 가격에 입찰을 진행 하였습니다.
결과는... 네... 보시는 것 처럼 패찰 입니다.
오늘의 입찰 후기

뭐 패찰이 한두번도 아니고.. 패찰 확인 후에 바로 옆에 있는 구내식당으로 가서 식사를 하고 왔습니다.
참고로, 이곳 구내식당은 외부인 식권 6.500원에 판매 중이며 따로 시간 제한은 없었습니다.
안내문에 11시 20분 부터 식사가 가능하다고 되어 있습니다.
비가 많이 와서 그리 많은 분들이 입찰한 날은 아니었습니다.
다른 날에 비하면 약 5~60% 정도 밖에는 사람들이 안 보였습니다.
그리고... 주택보증공사도 안 보였습니다(?)
본격적인 장마 입니다.
건강 유의 하시고, 성공하는 투자 되시기 바랍니다.
- 인천지방법원 경매 입찰 진행시간 : 오전 10시 20분 ~ 11시 20분 까지
'Auction' 카테고리의 다른 글
| 인천지방법원 부천지원 도시형생활주택 입찰 실패기 (0) | 2024.07.09 |
|---|---|
| 수원지방법원 안산지원 아파트 입찰기 (0) | 2024.07.03 |
| 서울중앙지방법원 도시형 생활주택 입찰기 (0) | 2024.06.27 |
| 수원지방법원 안양지원 도시형생활주택 입찰 후기 (0) | 2024.06.25 |
| 인천지방법원 도시형생활주택 입찰 후기 (0) | 2024.06.24 |